霓虹像素专业至尊版
0
准备工作:
材料:
- 5050 RGB LED
- 由PCBWAY提供的定制 PCB
- 100nF 1206电容器
- 3R0电阻1206
- 3D打印戒指
- WS2811 可寻址 LED 驱动器 IC
- 焊膏
- Arduino Nano 用于控制像素
工具:
1.电烙铁套装
2.镊子
3.防静电手套
版本 1 的问题




在开始这个项目之前,让我们先回顾一下这个项目的最后一个版本并找出它的缺陷。
https://www.instructables.com/WS2812-Big-Edition/
我在上一版中采用了 3S/3P 配置的 LED,这意味着三个 LED 串联,三个 LED 并联。
按照布置,LED 需要 12V 才能工作,而 IC 只需要 5V。
您可能会问,为什么不通过在 IC 的 12V 和 VCC 之间添加一个电阻来降低 12V 电压,以使 IC 正常工作?
这确实修复了电路板,但由于 LED 需要 12V 电源,我们仍然需要第二个降压电路才能使用 3.3V MCU 操作该设置。
我添加了跳线来连接每个未使用的 LED 的轨道,以使事情保持简单和实用。
配置可以正常工作,但需要改进,因此我进行了必要的调整,并将所有 LED 并联连接。我甚至在两侧添加了连接垫,以便添加多个 LED。
版本 2 设计




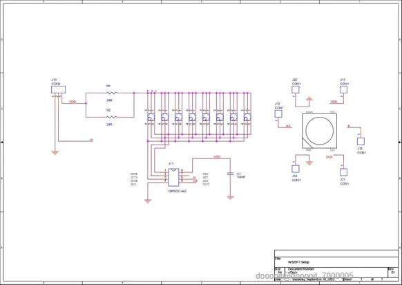
我使用 WS2811 数据表的原理图作为指南创建了电路,并使用了与 IC 并联的 8 个 RGB LED。
为了减少流向 RGB LED 再流向 IC 的电流,我在 VCC 和 RGB LED 正极线之间放置了两个电阻器。
我添加了六个 CON1 引脚到 VCC、GND、Din 和 Dout,以便与此设置连接。(每个 CON1 引脚连接到 VCC 和 GND。)
完成原理图后,我创建了电路板布局,将所有 LED 和其他组件以圆圈形式放置在中心,以便随后用环氧树脂覆盖。我制作了一个直径为 8 毫米的通孔垫,孔径为 4 毫米,用于连接这个巨大的 Neopixel,这样您就可以将任何金属板或电线连接到它。
为了连接这个 neopixel,我打算使用 Aliogator 夹子。
这是 WS2811 IC 的数据表。
PCBWAY




我完成后将完成的PCB寄给 PCBWAY获取样品。
由于 WS2812B 是白色的,并且白色阻焊层总体看起来很棒,因此我决定将它用于这个项目。
PCB 在不到一周的时间内就到达了,这令人印象深刻。
就整体质量而言,它非常出色。我买的 20 块板子每一块都完美无瑕。
我已经使用他们的服务有一段时间了,我必须说我收到的 PCB 非常棒,正如我所希望的那样。
查看 PCBWAY 以获得经济实惠且高品质的优质 PCB 服务!
电路板组装

- 电路板组装过程首先从逐个将焊膏添加到每个元件焊盘开始。
- 接下来,我们使用镊子挑选每个 SMD 元件并将其放置在指定位置。
- 随后,我们小心地抬起整个电路板,将其放在 Mini SMT 加热板上,加热板从下方加热 PCB,直至焊膏熔化温度。一旦 PCB 达到该温度,焊膏就会熔化,所有元件都会连接到其焊盘上。
- PCB 现已完全组装。
测试

我们利用三个连接到跳线上的鳄鱼夹来测试这种布置。为了将 neopixel 连接到 Arduino nano 板,我们将鳄鱼夹连接到其圆形垫片上。
为了测试这个像素,我使用了连接到 Arduino Nano 的 Adafruit Button Cycler 代码。
我们将 LED 的 Din 连接到 Arduino Nano 的 D6,将 VCC 连接到 5V,将 GND 连接到 GND。
使用TinkerCAD准备Neopixe







灌封工艺通常包括用环氧树脂封装 SMD 元件。
为了将环氧树脂固定到位,我们将把环氧树脂倒入一个直径为 48 毫米的环内,该环位于 PCB 的中心。
我使用 Tinkercad 来建模戒指,因为我记得它包含预先建模的形状,可以进行修改以满足我们的要求。
- 通过将戒指模型拖放到编辑器中,我们可以调整戒指的直径、壁厚和边数。
- 对模型进行更改后,我们将其保存为 STL 格式,使用 CURA 对其进行切片,然后使用白色 PLA 进行 3D 打印。
灌封工艺 - 将边框环添加到 PCB


- 我们在一侧使用一些强力胶,然后将 3D 打印的环添加到 PCB 上。
- 然后我们在环的整个周边涂上强力胶。
用胶水填充 PCB 和环表面之间的缝隙至关重要,因为环氧树脂可能会通过这些微小的空间泄漏出来。
灌封过程-混合环氧树脂

将硬化剂添加到环氧树脂中,然后混合。它们的比例必须相等;否则,环氧树脂不会硬化。
灌封工艺-将环氧树脂灌封到电子产品上




然后使用扁平工具将环氧树脂添加到环内,由于环氧树脂厚而粘稠,因此可以使用扁平工具将环氧树脂均匀地涂抹在每个组件上。
15 分钟后,重力将完成将环氧树脂均匀分散到整个结构中的工作,然后我们可以将该装置放在阳光下以固化环氧树脂,这将需要 1-2 小时,具体取决于环氧树脂的数量。
最终结果




1.视频链接https://youtu.be/gp-oYsyO8bs
几个小时后,环氧树脂就会固化,然后我们就可以得到一个巨大的 Neopixel 了。
然后使用鳄鱼夹将 Neopixel 连接到 Arduino Nano,并通过运行之前使用的按钮循环程序再次进行测试。
结论

我们创造了一个巨大的 Neopixel,其功能与微型 WS2812 LED 类似。
一个有趣的事实是,WS2811 芯片(晶圆)在安装到 WS2812 RGB LED 上之前会缩小尺寸。如果放大标准 WS2812 可寻址 RGB LED,您会注意到一个小芯片通过金线连接到 R、G 和 B 焊盘。
与概念类似,我们使用更大的组件(例如 5050 封装 LED 和 WS2811 SOIC8 IC)创建了放大的 WS2812 LED。
这个大 LED 两侧有 Din 和 Dout 焊盘,顶部有 VCC 焊盘,底部有 GND 焊盘,我们可以将多个 LED 串联起来,就像连接多个可寻址 LED 一样。
这个巨大的 Neopixel 可能用于大型显示器或 RGB LED 矩阵等,这是另一个项目。
今天就到这里,朋友们,如果您需要有关该项目的任何帮助,请发表评论。
0
0
0
qq空间
微博
复制链接
分享