声控 LED - 袖珍迪斯科

用一些音乐控制的 LED 制作您自己的袖珍迪斯科舞厅。您所需要的只是一些音乐或声音,以及LED 会随着声音跳舞。
这是一个真正运行的小电路,只需要几个组件就可以制造它。主要的是 4017 IC,也称为十年计数器。这个小集成电路可以计数到 1 到 10 并控制 LED。您可以使用这些 IC 来构建 LED 追逐器(就像 Knightrider 中的 Kit 一样),这种构建很相似,但有一个主要区别。它利用晶体管和麦克风,使其能够对声音做出反应!
1
零件

2
改装外壳

3
添加开关及其他

4
制作电路-接地和正极连接

5
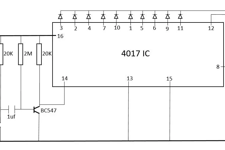
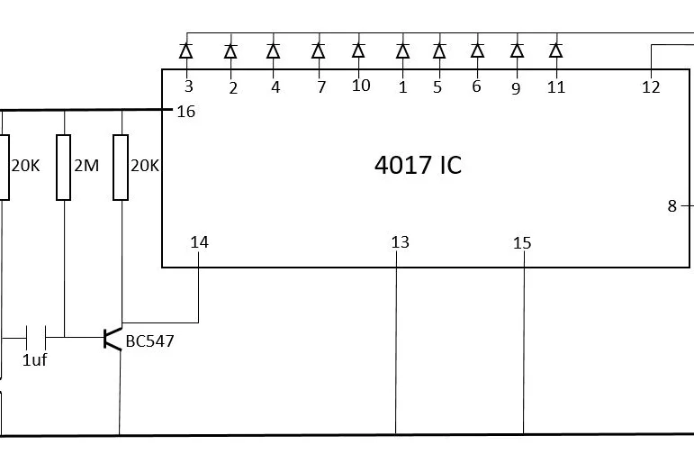
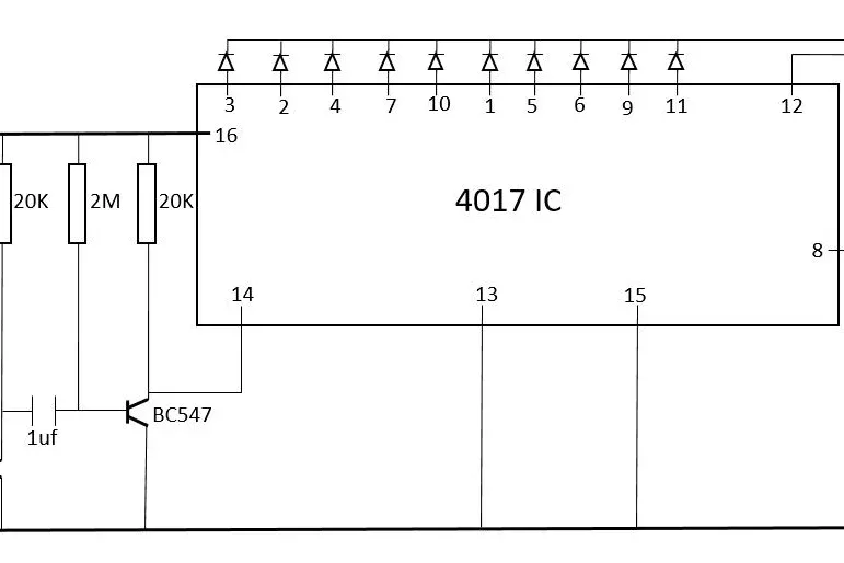
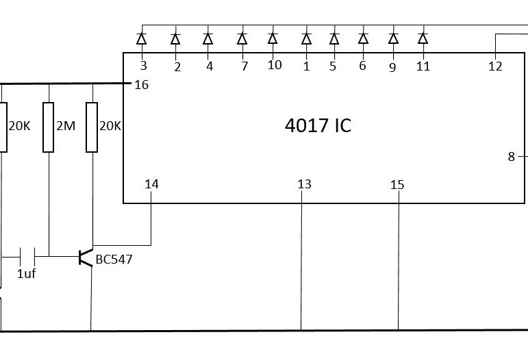
添加晶体管和电阻器

6
添加电容和更多电阻器

7
连接电路

8
准备LED原型版

9
添加LED

10
将LED连接到IC

11
添加麦克风和电源

0
0
0猜你喜欢
评论/提问(已发布 0 条)
0










































qq空间
微博
复制链接
分享