RGB LED 立方体


黄方块
转载
发布时间: 2025-09-26 15:21:36 | 阅读数 0收藏数 0评论数 0
封面
我们制作了一个电池供电的 RGB LED 立方体。它在内置微控制器的帮助下自动切换颜色。 立方体的下半部分是激光切割的,上半部分是 3D 打印的。立方体的正面有一个按钮,侧面是一个用于充电的直流桶。内部是一个电池组,由三节锂离子电池组成,为 3W LED 模块以及 ATTINY85 和驱动电路供电。
1

零件

2

工具

对于这个项目,您将需要以下工具:

3D 打印机 - 这将打印立方体的顶部

激光切割机 - 这将从有机玻璃上切割立方体的底部

烙铁 - 连接电子设备

热胶枪 - 胶水将所有电子设备和外壳固定在一起

3

3D打印

首先,让我们打印顶部。您可以使用任何您喜欢的灯丝,只要光线可以通过即可。我们使用了透明的 PLA-D。我们使用 Prusa i3 MK2 打印了这部分。打印文件包含在此步骤中。

STL
F73PI2CJOWTKB0R.stl
17.66KB
4

切割外壳

您需要使用激光切割机来制作外壳。我们使用了 GCC SLS 80。如果您无法使用激光切割机,则有许多本地服务,您可以向这些服务提供这些矢量图形,他们会以实惠的价格将其切割给您。为此,您可以使用任何材料。我们从亚克力上剪下来,但任何东西都可以正常工作,并与光线形成有趣的组合。此步骤中包含所有需要的文件。

注意:此外壳是为 3 毫米(1/8 英寸)厚的材料绘制的。确保你有这个厚度。


ZIP
FHMXQ1MJOWTKAWC.zip
381.88KB
5

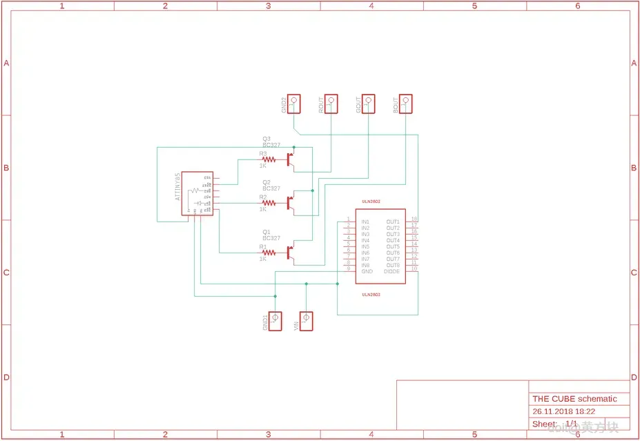
性能电路

由于立方体的驱动电路包括许多电子元件,例如晶体管、电阻器和一个集成电路,因此我决定使用处理器板而不是面包板或螺钉端子。您只需要根据随附的方案在 perfboard 上焊接所有必要的组件。我使用 PCB 螺丝端子将电路板连接到电池和 RGB LED。

6

电源

因为我们使用全功率消耗约 0.7A 的 3W RGB LED,所以我们需要非常强大的电池来为该设备供电。我们决定使用三节 18650 3.7 2600 mAh 锂离子电池。它们比锂聚合物电池重一点,大一点,但也便宜一点它们也适合外壳。您需要制作一个电池组。最好的选择是使用电池点焊机,但由于它们非常昂贵,我们决定将三个 18650 电池座粘在一起并并联连接。我们使用 5.5/2.1mm 直流桶作为充电连接器,但您可以使用任何其他连接器。请记住,您要插入此连接器的适配器必须具有 5V 2A 输出。

现在让我们做一些简单的数学运算。电池组总容量应在 7800 mAh 左右。电池组的输出端有一个升压转换器,可将输出电压从 4V 增加到 12V 的三倍。这种电压转换应将电池组的最大输出电流降低到 2600 mAh。现在,电路消耗大约 700 mA 和 2600 mAh 除以 700 mA 是 3,7。这使我们的总电池续航时间约为 3 又 3/4 小时。但请记住,这只是理论上的,实际电池寿命仅为 3 小时左右。电池组应在 3 小时后充电。您仍然可以将其连接到电源,而不是由电池供电。

7

编码

这是 Attiny85 的代码。您可以使用 Arduino IDE 上传它。

INO
F4OKFWAJPQTDYMA.ino
933B
8

整合

准备好盒子的底部,我们就可以开始将电子设备放入其中了。我们将锂离子电池放在最底部。当然,你可以把东西放在任何你想要的地方,但这对我们来说效果最好。现在开始将侧面放在它们的位置。将按钮放入前件,将直流桶放入侧面。您可以开始在内部涂上热胶以固定侧面和电池。最后,我们将 3D 打印的顶部滑入外壳顶部的“孔”中。

9

完成

这就是一款便携、多功能且优雅的 RGB 灯。如果您完成了所有步骤,那么现在应该已经完成了。

阅读记录0
点赞0
收藏0
禁止 本文未经作者允许授权,禁止转载
猜你喜欢
评论/提问(已发布 0 条)
评论 评论
收藏 收藏
分享 分享
pdf下载 下载
pdf下载 举报