数字化音频模拟音量

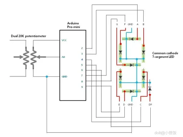
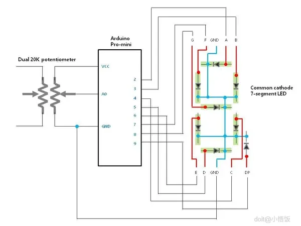
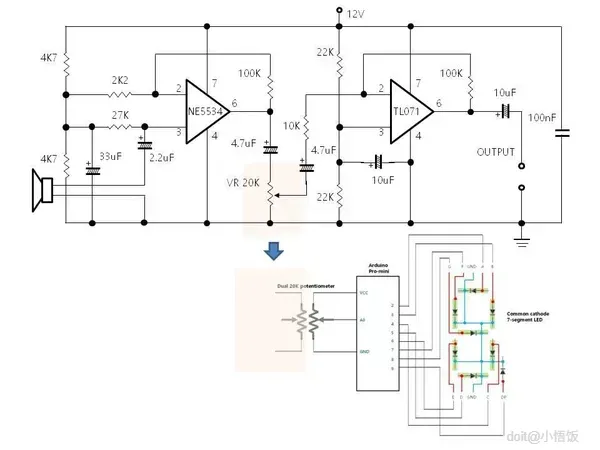
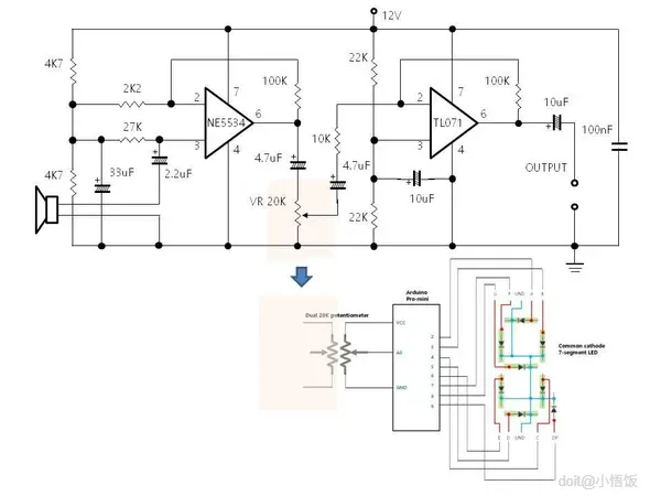
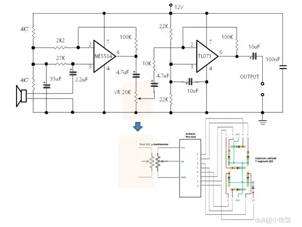
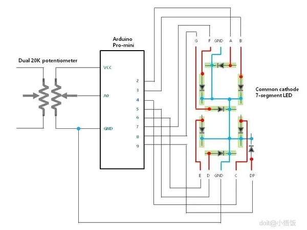
电位器是典型的通过改变电阻值来实现模拟控制的器件。因此,许多音频设备(例如放大器)使用它来控制音频输出音量。当转动滑动触点(电阻片上方的移动触点)时,输出端的电阻值变低。对于老一代人来说,这种模拟设备控制方式相当熟悉。当使用带有刻度标记的旋钮(上图中的橙色条)时,我们可以粗略地估计转动电位器的电位器端子会产生多少变化。但有时我们需要知道确切的电阻值才能正确控制某些设备或设备。这就是为什么我尝试制作这个分线电路,通过 7 段显示屏上的数字来显示准确的当前阻力水平。让我们更详细地了解数字化但仍然是模拟的电位器电路。
准备工作:
材料:
工具:
1
原理图

2
零件

3
DAV电路的使用

4
草图程序

5
结论

0
0
0猜你喜欢
评论/提问(已发布 0 条)
0






qq空间
微博
复制链接
分享