开关电源的理解(1)


老小孩
原创
发布时间: 2025-09-06 16:46:11 | 阅读数 0收藏数 0评论数 0
封面
最近在学习一些开关电源的知识,为了以后再复习学习,所以记录一下,希望和大家共勉。
1

电源的分类

先从电源的传输说起,首先电力一般是从发电厂产生,为了传输的方便一般都是把电力变成高压交流的形式,多为几千伏特的高压,然后经过高压线架传输出去。

在使用电力的地方,先把高压经过大型的变压器变成220V的交流电供民众使用,所以我们经常所说的电源一般是指这种220V的交流电。(主要以民用电讨论,暂不讨论工业用电)

日常生活中的家用电器都是以220V的交流电为基础,所以我们现在讨论的电源多是指把220V交流电变成我们所需的直流低压电。

电源一般分为两类,线性电源和开关电源。

线性电源:是以前常用的方法,一般是先经过工频变压器变成交流低压,然后经过整流,滤波和稳压电路,然后得到所需的低压直流。工频变压器通常有两个或两个以上的绕组,其中接交流电源的绕组叫初级线圈,其余的绕组叫次级绕组,初级和次级绕组是物理隔离的,其工作频率为50Hz或60Hz,这种工频变压器一般都体积较大,比较笨重。

开关电源:是通过晶体管频繁的开关,控制电流的接通和截止的时间比例来输出所需的电压。开关电源具有功耗小,效率高,体积小的特点。


2

开关电源的细分

开关电源细分为交流开关电源和直流开关电源,交流开关电源一般用于功率比较大的设备,如工业用电,我们以下所说的开关电源是指直流开关电源。

3

开关电源的拓扑结构

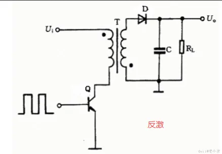
开关电源的拓扑结构是指从(直流到直流)变换器的结构。拓扑结构不同,与之配套的PWM控制器类型和输出整流/滤波电路也有差异。拓扑结构也基本决定了开关电源的工作原理及输出特性。常见的拓扑结构有降压式、升压式、正激式、反激式、推挽式、半桥式和全桥式等十几种,总结为两大类正激和反激。

阅读记录0
点赞0
收藏0
禁止 本文未经作者允许授权,禁止转载
猜你喜欢
评论/提问(已发布 0 条)
评论 评论
收藏 收藏
分享 分享
pdf下载 下载
pdf下载 举报