咖啡烘焙度红外分析仪

本文介绍了一款基于AS7263近红外光谱传感器的咖啡烘焙度分析仪,通过测量咖啡豆在610-860 nm波长范围内的反射率,评估烘焙程度并实现蓝牙数据传输。项目包含硬件组装、传感器校准及代码开发,利用卤素灯泡作为光源,结合固态继电器与Qwiic扩展板构建低成本解决方案。
1
材料清单

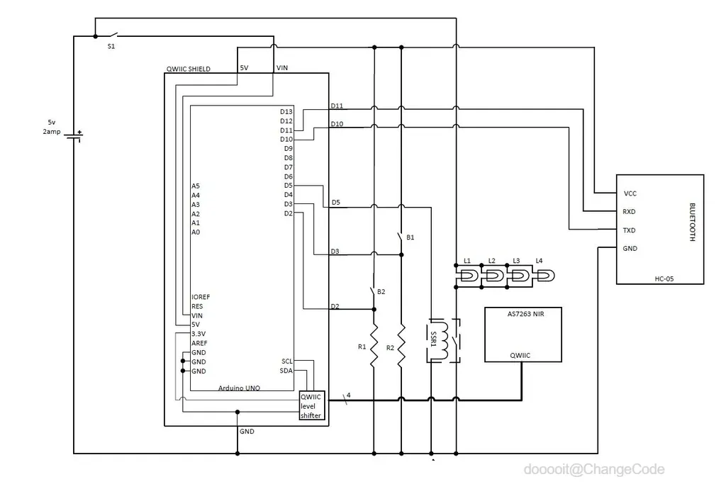
2
电路图

3
安装卤素灯泡至AS7263

4
组装取样器端口

5
固态继电器与电源开关布线

6
校准按钮布线

7
采样按钮布线

8
固态继电器输入端布线

9
蓝牙模块布线

10
代码上传

11
通过蓝牙显示结果

12
结论

0
0
0猜你喜欢
评论/提问(已发布 0 条)
0













qq空间
微博
复制链接
分享