SolidWorks建模教程:创意笔筒3D设计(含抽壳与阵列技巧)

在这段SolidWorks建模教程中,我们将学习如何一步步构建一个优雅的笔筒,特别关注于曲面设计的应用。首先,创建笔筒的基本外形,利用草图工具绘制轮廓,然后通过旋转特征形成主体。最后,添加个性化元素完成设计。此过程不仅提升了建模技能,也加深了对复杂曲面操作的理解。
1
新建零件

在文件菜单中点击“新建”按钮,随后会弹出一个选择模板的窗口。从中找到所需的零件后,通过双击该零件完成选中及创建操作
2
画出笔筒轮廓





123
在选择前视基准面后开始绘制,首先画出一条直线,并将其转换为几何参考线。完成这一步后,继续使用直线工具绘制出所需的轮廓。当准备添加弧线时,将鼠标移回至起始点,即可激活圆弧工具,从而顺利地完成带有直线和弧线的草图绘制。
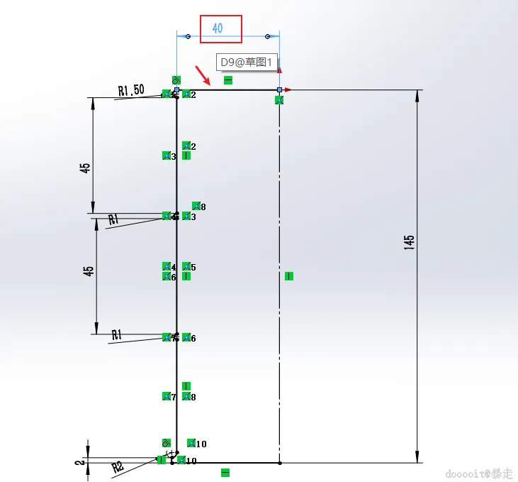
3
标注轮廓尺寸






1234
根据图片中的对象大小进行精确的尺寸标注。确保每个尺寸都被正确地测量并清晰地标记出来,以便准确反映对象的实际大小和比例。
4
旋转填充笔筒轮廓




12
5
掏空圆柱体





123
- 选中上视基准面进行绘制:
- 选择“上视基准面”进行绘制。
- 以原点为中心画一个直径为74mm的圆:
- 在选定的上视基准面上,使用绘图工具栏中的“圆”命令。
- 选择“中心点-直径”方式绘制圆,指定原点作为圆心位置,并输入直径74mm来完成圆的绘制。
- 使用拉伸切除指令进行切除:
- 选中刚才绘制的圆,然后找到并选择“拉伸切除”功能。
- 指定拉伸方向和切除深度为141.5mm。
6
笔筒图案







12345
首先,切换到前视基准面以开始绘制工作。在此基准面上,
- 使用直线工具,从顶部到底部绘制一条穿过屏幕中心位置的直线,确保它通过原点,即整个绘图区域的中心。
- 在这条直线的中点处,绘制两个同心圆。这两个圆应分别具有直径为10mm和15mm的尺寸,确保它们共用同一个中心点,即之前绘制的直线的中点。
- 接下来,在该直线的中点附近画一个中心矩形,使其长度为8mm。这个矩形应当对称地分布在直线两侧,其长边与直线垂直。
- 从矩形的两端各画一条斜线,使得这些斜线与矩形的边形成的角度标注为115°。确保在矩形的另一端重复相同的操作,保证两边对称。
- 最后,在两条斜线之间使用三点圆弧工具来创建一个圆弧,使得这个圆弧的中心角度为90°。
7
去除多余直线

使用裁剪工具去除多余线条,仅保留最小的圆和一个扇形图形,其余部分全部删除。
8
圆周阵列




12
首先,确定圆的中心点作为镜像和阵列操作的基准点。接下来,选择需要进行镜像和阵列的图形对象。使用软件中的圆周阵列功能,设置阵列个数为3,确保这些图形均匀地分布在圆周上,并以之前确定的圆心为中心进行排列。
9
分割线




12
- 打开你的模型:首先,在SolidWorks中打开你想要添加分割线的零件文件。
- 进入特征:在菜单中选择“曲线”,然后点击“分割线”。这将打开分割线命令的属性管理器。
- 选择【草图】或【曲线】作为基础:根据你的需要,你可以从现有的草图、曲线或者是面的边缘开始。如果需要,先绘制一个新草图作为分割线的基础。
- 选择分割线类型:
- 面分割:使用现有的面边界来创建分割线。
- 投影分割:从草图实体或曲线向选定的面投影来创建分割线。
- 剪裁分割:通过切割面来创建分割线。
- 设置参数并应用:在属性管理器中选择合适的参数,例如选择用来创建分割线的草图实体或曲线,以及要应用分割线的目标面。完成设置后,点击确认以应用分割线。
分割线是SolidWorks中提高设计灵活性和精确度的重要工具之一,适用于复杂的曲面设计、外观定义等多个场景。
10
复制曲面




12
- 点击顶部的插入菜单:在SolidWorks界面的顶部菜单栏中找到并点击“插入”选项。
- 导航至曲面功能区:从下拉菜单中选择“曲面”选项,然后在弹出的子菜单中找到并选择“等距曲面”功能。这将打开等距曲面的属性管理器,允许你进行进一步设置。
- 设置等距参数:在等距曲面的属性管理器中,你需要指定等距的距离和其他相关参数。在这个特定情况下,我们将距离设置为0,这意味着新生成的曲面将与选定的原始曲面完全重合。此步骤可用于创建基于现有几何形状的新曲面实体,以便于后续操作或修改。
- 选中目标图形(扇形和圆):在绘图区域中,依次点击你想要应用等距曲面操作的扇形和圆形面。确保这些面已被正确选中并在属性管理器中显示。
- 确认并应用设置:检查所有设置是否符合要求,特别是等距距离为0这一点。确认无误后,点击“确定”按钮以应用等距曲面操作。此时,SolidWorks将在你的设计中添加新的与原扇形和圆形面完全重合的曲面。
11
加厚




12
- 点击顶部的插入菜单:在SolidWorks界面的顶部菜单栏中找到并点击“插入”选项。
- 导航至凸台/基体功能区:从下拉菜单中选择“凸台/基体”选项,然后在弹出的子菜单中找到并选择“加厚”功能。这将打开加厚参数的属性管理器,允许你进行进一步设置。
- 设置厚度: 厚度设置为2mm,并取消合并结果。
12
嵌入




12
插入->特征->组合按钮,主要实体为整个笔筒,现在要对选中内容进行删减。
13
倒圆角




12
- 选择需要倒圆角的边线:在绘图区域中,使用鼠标直接选取笔筒底部和顶部(笔筒口)需要进行倒圆角处理的边线。确保所有目标边线都被选中,以便它们能够同时接受相同的圆角处理。
- 设置圆角参数:在圆角属性管理器中,您可以设定圆角的大小。根据设计需求和个人偏好输入合适的半径值。对于笔筒来说,通常选择一个较小但视觉效果明显的圆角半径会比较合适,比如2-5毫米,具体数值可以根据实际情况调整。
- 预览效果:大多数SolidWorks版本都提供了实时预览功能,允许您在应用更改之前查看倒圆角的效果。如果预览结果符合预期,则可以继续下一步;否则,可返回并调整圆角参数直到满意为止。
14
完成

笔筒-version.SLDPRT
302.48KB
0
0
0
qq空间
微博
复制链接
分享 更多相关项目
猜你喜欢
评论/提问(已发布 0 条)
0