SolidWorks教学之旋转楼梯


头像
崧峻.
原创
发布时间: 2025-06-10 01:44:14 | 阅读数 0收藏数 0评论数 0
封面
本章来教大家利用solidworks 制作一个旋转楼梯,用到了曲线和线性阵列的使用,大家可以跟着教程一步一步来,新手小白也可以哦,非常的简单,从0到1,让大家一步一步的进行solidworks的建模学习
1

创建零件模板

点击右下角高级,选择模板,选择国标零件模板,点击确定

2

绘制草图

1. 选择上视基准面,右键草图绘制 如图1所示

2. 如图2所示 选择上方圆形,以坐标点为中心画一个圆形,在以坐标点为中心画一个小一点的圆形

3. 点击上方智能尺寸标记,外圆直径为50,内圆直径为40

3

拉伸圆环凸台基体

1. 点击特征,拉伸凸台基体

2. 深度设置为100 点击对号

4

草图绘制

1. 右键上视图 草图绘制

2. 以坐标原点为中心在画一个圆形,标注尺寸直径为120 ,如图2所示

3. 点击上方直线,以右侧象限点到中心点画一条直线哪,在斜着画一条 如图3 图4所示

4. 标注一下智能尺寸夹角为18,如图5所示

5

裁剪实体

1. 选择如图所示的边线,点击转化实体引用

2. 点击裁剪实体,给草图裁剪为如图2所示的样式

3. 选择如图3所示的蓝色线,和坐标原点,给他们设置为重合

4. 点击特征 拉伸凸台基体 深度设置为5 点击对号即可 如图4所示

6

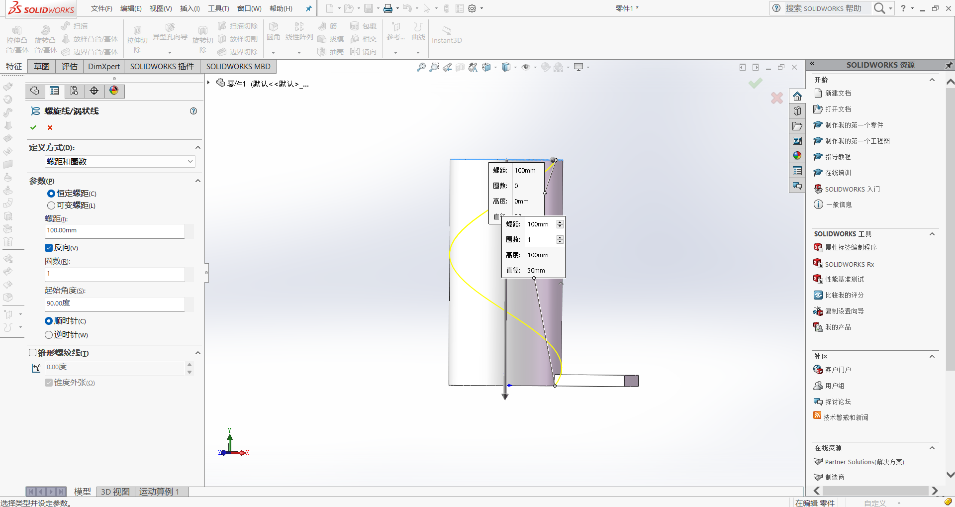
螺旋线绘制

1. 点击如图1所示的面,右键草图绘制

2. 点击转换实体引用,如图2所示

3. 如图3所示点击曲线螺旋线

4. 螺距设置为100 角度设置为90,如图4所示

5. 如果找不到曲线的话,看图5所示

7

螺旋楼梯实体

1. 点击上方线性阵列,选择曲线驱动阵列

2. 方向设置为螺旋线,大家看一下方向对不对如果不对点击一下即可

3. 实例数量为20

4. 等间距取消掉,间距设置为9.3

5. 面法线为圆柱体

6. 特征面为台阶

7. 如图所示 点击对号即可

8

完成

最后效果如图

阅读记录0
点赞0
收藏0
禁止 本文未经作者允许授权,禁止转载
猜你喜欢
评论/提问(已发布 0 条)
头像
评论 评论
收藏 收藏
分享 分享
pdf下载 下载
pdf下载 举报